產品服務
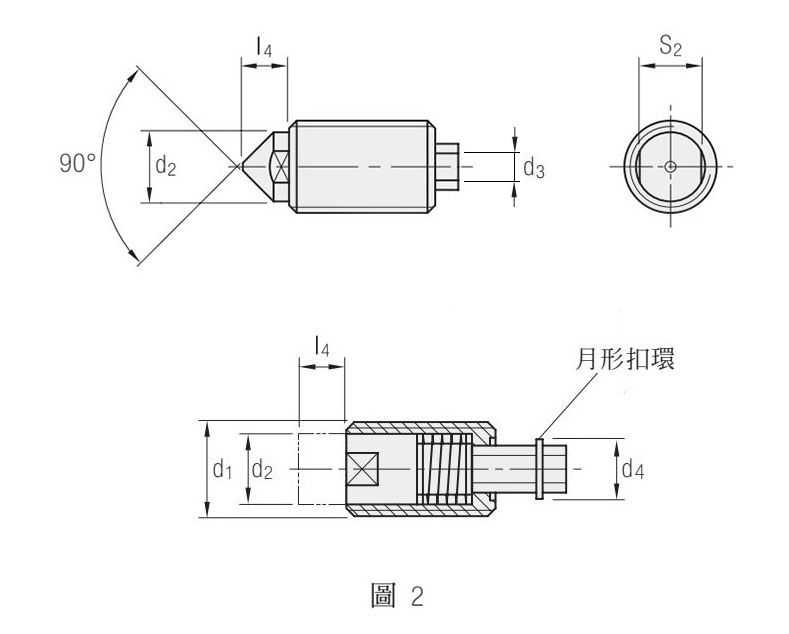
HOSGR513附月形扣環尖頭螺絲型定位柱
編號:HOSGR513-016, HOSGR513-018, HOSGR513-020, HOSGR513-116, HOSGR513-118, HOSGR513-120
|
HOSGR513附月形扣環尖頭螺絲型定位柱 本體 |
HOSGR513附月形扣環尖頭螺絲型定位柱 銷子 |
||
|
材質 |
處理 |
材質 |
處理 |
|
碳鋼(熱處理) |
鍍鋅 |
鉻鋼 |
表面硬化 |

|
圖2 |
編號 |
輕荷重 |
HOSGR513-016 |
HOSGR513-018 |
HOSGR513-020 |
|
重荷重 |
HOSGR513-116 |
HOSGR513-118 |
HOSGR513-120 |
||
|
d1 |
M12x1.5 |
M16x1.5 |
M20x1.5 |
||
|
d2 |
9.0 |
12.0 |
14.5 |
||
|
d3 |
M4 |
M5 |
M6 |
||
|
d4 |
7.6 |
8.8 |
11.4 |
||
|
e |
6.5 |
7.8 |
10.0 |
||
|
l1 |
28 |
38 |
47 |
||
|
l2 |
19 |
27 |
33 |
||
|
l3 |
3 |
3 |
4 |
||
|
l4 |
6 |
8 |
10 |
||
|
r |
--- |
--- |
--- |
||
|
S1 |
--- |
--- |
--- |
||
|
S2 |
8 |
10 |
12 |
||
|
S3 |
--- |
--- |
--- |
||
|
t min |
--- |
--- |
--- |
||
|
荷重 |
輕荷重 |
初壓 |
16 |
25 |
40 |
|
終壓 |
35 |
71 |
130 |
||
|
重荷重 |
初壓 |
18 |
45 |
65 |
|
|
終壓 |
56 |
125 |
200 |
||