萬向滾珠
高精度運輸轉動系統
ALWAYSE代理專區
英國原廠Alwayse滾珠
長鋼針
耐磨高強度零件
定位珠
精準定位固定裝置
定位柱
精準固定定位用零件
圓珠系列
日本、韓國、義大利、中國進口,台灣製
旋轉盤系列
車用、餐廳、展示旋轉盤
韓國TEGWAY可彎曲致冷/致熱晶片
(中國、台灣代理)
組合架系列
免螺絲、拆裝方便
分度定位柱
解決定位問題
坦克滑輪
搬運靈活穩定
全向輪系列
任意方向移動
萬能夾具
靈活應用的鉗緊系統
轉吊球
靈活旋轉吊掛
升降器
減輕負擔、提高生產率
吊門器
省力移動
重負荷滾筒與轉轍器
90度互換輸送
轉盤用輪(特殊車輪)
輸送大型輪盤、重物
萬向腳輪和輸送滾輪
應用於食品、飲料、玻璃與藥品製造業
新產品
開發、設計
機械手臂
自動化實現
客製化塑膠類
適用多種加工方式
產品服務
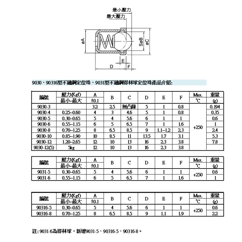
9030、90316型不鏽鋼定位珠、9031型不鏽鋼得林球定位珠
編號:9030-3, 9030-4, 9030-5, 9030-6, 9030-8, 9030-10, 9030-12, 9030-12(5), 9031-5, 9031-6, 90316-5, 90316-8
9030型全不鏽鋼定位珠 壓入式定位珠 材質: 全不鏽鋼 註: 9031-6球為得林、90316-5與90316-8為全SUS316材質
型號
本體材質
彈簧材質
珠子材質
9030型
不鏽鋼
9031型
Delrin得林
90316型
SUS316